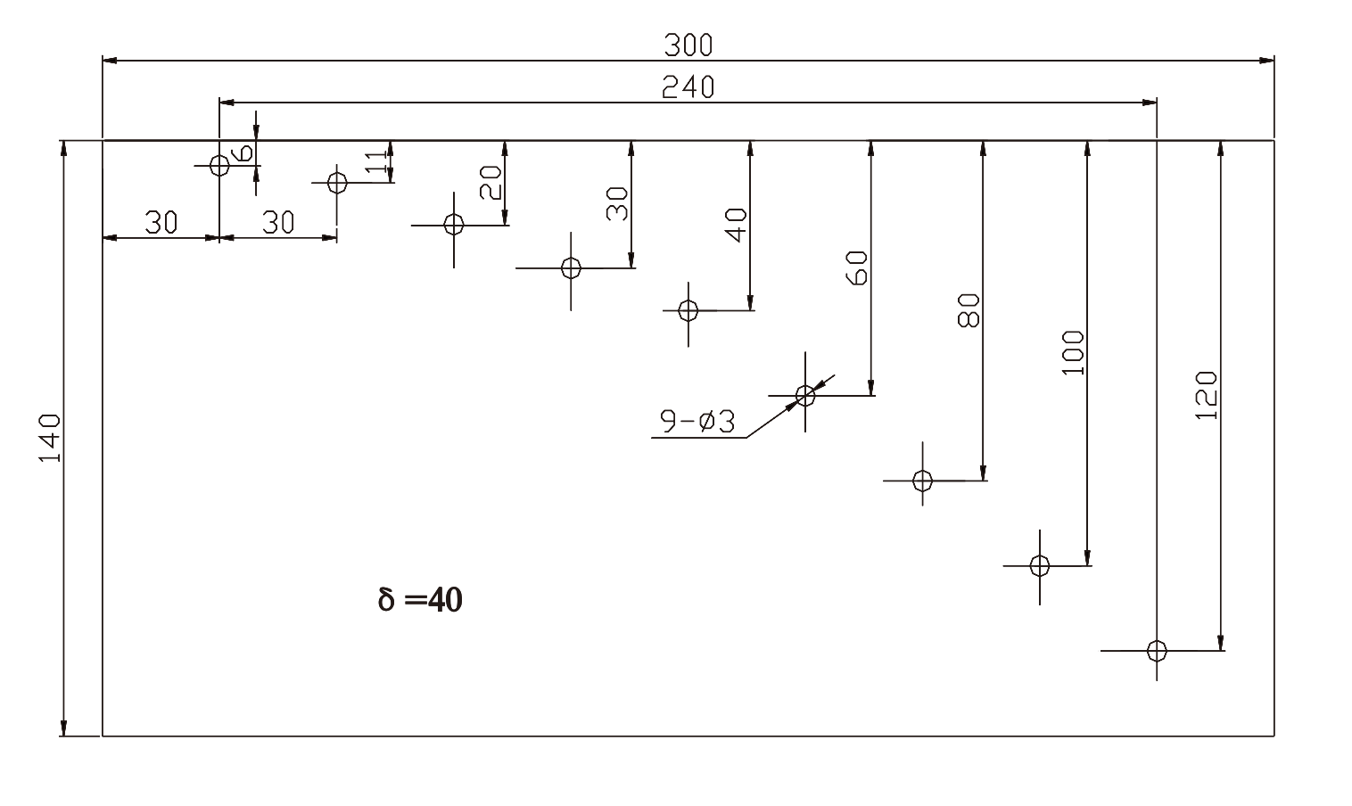
DB-H1试块-DB-H2试块
中华人民共和国专业标准试块,DB-H1试块DB-H2试块
无损检测试块模具电话:0537-6988486、6988490、6988482传真:0537-6988488特种设备行业、核电行业、自然缺陷焊接试板:孟凡宝手机:13793760618,QQ:525735886邮箱:13793760618@139.com铁路、航空航天、国外试块:李晴手机:13686379798 QQ:1007471030邮箱:ndtlq@126.com电力行业、国家标准试块、冶金
查看更多 >

